Усиление лесных дорог объёмными георешётками
В статье обоснована необходимость усиления лесных дорог объемными георешётками в контексте проблем строительства транспортных путей специального назначения. Описан механизм работы геокомпозита «грунт – георешётка». Представлены результаты исследований работоспособности дорожной конструкции, усиленной георешёткой, в лабораторных условиях.
Испытания георешётки КОМЕТА-2001 для лесных дорог
При строительстве лесных дорог в сложных грунтово-гидрологических условиях, а также с применением в процессе их строительства местных малопригодных или условно пригодных грунтов и материалов, дальнейшей эксплуатации дорожных конструкций возникает проблема обеспечения требуемой эксплуатационной надежности. В практику дорожного строительства как эффективный способ усиления дорог все шире внедряется метод армирования грунтов геосинтетическими материалами, в частности георешётками [1].
Грунты как строительный материал слабо сопротивляются многократным нагрузкам от лесовозного транспорта и подвержены накоплению остаточных деформаций, что приводит к износу и колееобразованию на дорожных покрытиях. Это обусловлено структурой материала, представляющего собой смесь дискретных частиц разной формы и размеров, способных смещаться относительно друг друга под действием нагрузок.
Предотвратить смещение или значительно уменьшить его можно путем введения в дорожные конструкции различного рода армирующих элементов, одним из которых является георешётка. Применение георешёток позволяет создать дорожные конструкции, обладающие повышенными эксплуатационными свойствам и способные выдерживать нагрузки от транспорта большой грузоподъёмности. Использование георешёток обусловлено их высокой прочностью, устойчивостью к воздействию гидрогеологических факторов и экологической безопасностью.
Георешётка при использовании её в качестве элемента усиления дорожной конструкции позволяет увеличить сцепление несвязного материала, применяемого в слоях дорожной одежды. Объёмная ячеистая структура георешётки при воздействии на неё нагрузки локализует деформации, которым подвергается заполнитель (грунт).
Экспериментальные исследования
С целью проверки работоспособности усиленной георешёткой грунтогравийной дороги в лаборатории кафедры транспорта леса БГТУ проводились экспериментальные исследования. Именно по таким дорогам в основном производится вывозка леса, при этом под воздействием колёсной нагрузки происходит интенсивное деформирование дорожной одежды, накапливаются необратимые деформации (образуется колея). Для экспериментальных целей использовалась георешётка Комета с размером ячейки 0,2 м и высотой 0,1 м, которая выпускается из полиэфира.
Испытания проводились в грунтовом канале на экспериментальных участках длиной 2,2 м, шириной 1,2 м, почвогрунт – суглинок. Первый участок без георешётки устраивался послойно, с доведением каждого слоя до максимальной плотности при оптимальной влажности. Верхний слой представлял собой покрытие из песчано-гравийной смеси толщиной 0,1 м. Устройство второго участка с георешёткой осуществлялось таким же образом с разницей в том, что песчано-гравийная смесь укладывалась на армированное георешёткой основание дорожной одежды.
Исследования проводились по методикам [2], [3] и состояли из двух этапов:
- Определение напряжений (максимальных) в различных зонах грунтогравийного массива
- Измерение глубины колеи после определённого числа проходов тележки
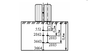
Схема эксперимента

После устройства каждого из слоев было заложено шесть тензорезисторных преобразователей давления - мессдоз (см. Рис. 1).
Нагрузка, передаваемая колёсной парой самоходной тележки на покрытие исследуемых дорожных конструкций, составляла 3200 кг, давление воздуха в шинах - 0,3 МПа, число проходов по одному следу - 100. Величины напряжений регистрировались после каждого прохода с помощью мобильного измерительного усилителя Spider-8.
Результаты измерений



Наибольшие напряжения в ходе эксперимента регистрировала мессдоза № 2883, заложенная на глубине 0,2 м, а наименьшие - мессдоза № 552, заложенная по центру спаренных колёс на глубине 0,15 см.
Анализ зависимостей подтверждает теоретические предпосылки о том, что ячейки георешётки перераспределяют активное вертикальное давление на грунт на большие поверхности, в результате чего величина этого давления снижается.
Зависимости показывают, что образование колеи наиболее интенсивно происходило при первых 12 проходах. После 80 проходов глубина колеи стабилизировалась и в итоге на участке без георешётки составила 4,95 см, а на участке с георешёткой - 3,65 см, (т. е. на 35% меньше).
Объясняется это механизмом работы конструкции «грунт - георешётка», уменьшающей интенсивность колееобразования, а также свойствами самой георешётки. Связь ячеек в её структуре, взаимное их блокирование практически не позволяет ячейкам сдвигаться, что ограничивает неравномерное оседание георешётки, а вместе с тем и дорожной конструкции.
Выводы исследования
По результатам экспериментальных исследований можно сделать следующие выводы:
- Использование георешёток положительно влияет на напряженно-деформированное состояние дорожных конструкций
- Позволяет существенно повысить прочность грунтогравийных дорог, используемых для вывозки древесины
- За счет снижения степени накопления остаточных деформаций можно увеличить межремонтные сроки
- Снижаются будущие затраты на содержание и ремонт лесных дорог
Усиление георешётками дорожных конструкций является весьма эффективным способом строительства лесных дорог в сложных условиях, учитывая далеко не всегда экономически оправданные традиционные методы (замена грунтов, техническая мелиорация, устройство свайных полей, использование деревянных настилов и щитов).
В то же время предлагаемые дорожные конструкции с георешётками являются новым решением рассматриваемой здесь, в общем-то, всегда актуальной технической проблемы, учитывая современные тенденции увеличения объемов использования местных малопрочных грунтов при строительстве лесных дорог, учитывая, наконец, необходимость соответствия условий строительства экологическим требованиям.
Литература
| 1. | ОДМ «Рекомендации по применению геосинтетических материалов при строительстве и ремонте автомобильных дорог». - М.: Росавтодор, 2003. - 152 с. |
| 2. | Федоренчик А. С., Протас П. А., Дорожко А. В. Методика проведения исследований воздействия колёсных движителей на почвогрунты в лабораторных условиях // Труды БГТУ. Сер. II. Лесная и деревообраб. пром-сть. - 2004. – Вып. XII. С. 57-60. |
| 3. | Насковец М. Т., Севрук С. А. Методика и оборудование для исследования работы дорожных одежд колейного типа с применением утилизированных автопокрышек // Труды БГТУ. Сер. II. Лесная и деревообраб. пром-сть. - 2004. – Вып. XII. С. 108-112. |
П. А. Лыщик, доцент
С. В. Красковский, аспирант
